Tiseth! Skrevet Februar 28, 2011 Skrevet Februar 28, 2011 har en e36 coupe 318is med 325motor. motortempmålern min funker ikke, følern er ikke gåen.. så er sikkert ledingsbrudd. så jeg tenkte å legge opp ny kabel fra føler til speedo. men jeg kan ikke finne noe koblingsskjema så jeg kan finne ut hvor på speedoet ledningen skal inn Noen som kan hjelpe meg?
Tiseth! Skrevet Februar 28, 2011 Forfatter Skrevet Februar 28, 2011 ah, takk! du har ikke et bilde som er større eller klarere? klarer ikke å tyde hva det står, hjalp ikke å zoome heller :/
winchester Skrevet Mars 1, 2011 Skrevet Mars 1, 2011 Kan gi deg større bilde når jeg kommer hjem, om du sender meg mail adressen din på PM.
Tiseth! Skrevet Mars 1, 2011 Forfatter Skrevet Mars 1, 2011 Noen som kan forklare skjemaet litt nærmere? helt ærlig skjønte jeg ikke veldig mye av det kan sende det større bilde til den som evt hjelper meg
KrHeLl Skrevet Mars 1, 2011 Skrevet Mars 1, 2011 Du får hinte meg hvis du trenger hjelp, kan kikke på det i morgen etter jobb hvis du fortsatt ikke får det til..
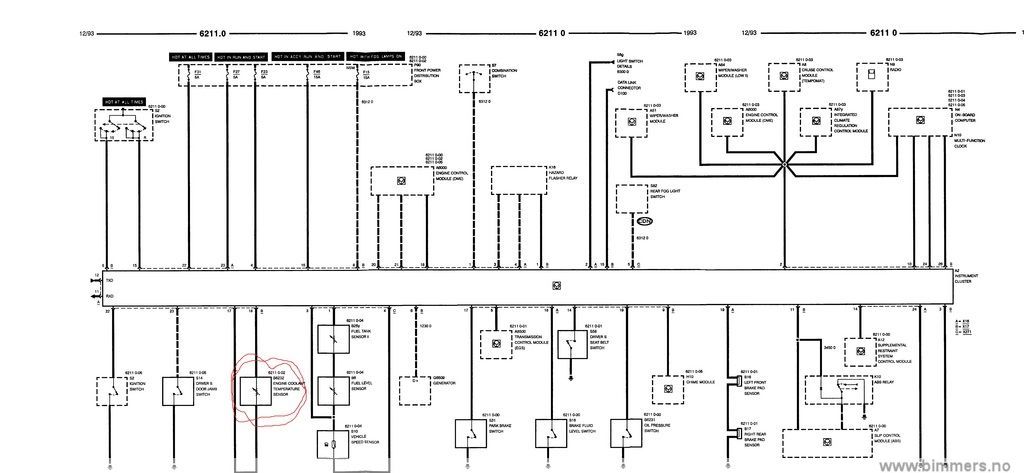
KrHeLl Skrevet Mars 3, 2011 Skrevet Mars 3, 2011 ok... Se side 11 på denne linken: OBC conversion manual Her ser du den blå tilkoblingen bak på spedo, og du ser hvordan du skal ta av kapslingen rundt kontakten. Gjør det, og da vil du kunne se noen små nummer på kontakten, disse viser til pinnenummerene. Nå finner du pinne 17 og 18, så ser du på ledningene, å sjekker om de har samme farge som oppgitt på koblingskjemaet. Hvis disse stemmer så er det disse to du skal koble deg inn på. Sett på kapslingen igjen. Nå kan du gjøre 2 ting, enten bruke en såkalt strøm tjuv til å koble deg på... men siden du har problemer med kablingen og har tenkt å trekke ny fram til sensor i stedet for å sjekke de originale kablene så kan du klippe disse og lodde på de nye ledningene som du så trekker fram til sensoren. Jeg vil selv anbefale deg å heller gå over den originale kablingen.
Tiseth! Skrevet Mars 8, 2011 Forfatter Skrevet Mars 8, 2011 ok...Se side 11 på denne linken: OBC conversion manual Her ser du den blå tilkoblingen bak på spedo, og du ser hvordan du skal ta av kapslingen rundt kontakten. Gjør det, og da vil du kunne se noen små nummer på kontakten, disse viser til pinnenummerene. Nå finner du pinne 17 og 18, så ser du på ledningene, å sjekker om de har samme farge som oppgitt på koblingskjemaet. Hvis disse stemmer så er det disse to du skal koble deg inn på. Sett på kapslingen igjen. Nå kan du gjøre 2 ting, enten bruke en såkalt strøm tjuv til å koble deg på... men siden du har problemer med kablingen og har tenkt å trekke ny fram til sensor i stedet for å sjekke de originale kablene så okei, tusen takk! men er det ikke veldig mye arbeid å sjekke de orginale kablene? er ikke så altfor flink med elektro greiene, hehe kan du klippe disse og lodde på de nye ledningene som du så trekker fram til sensoren. Jeg vil selv anbefale deg å heller gå over den originale kablingen. Okei, tusen takk! men er det ikke mye arbeid å sjekke de orginale? er ikke så altfor flink med dette, hehe
Anbefalte innlegg
Opprett en konto eller logg inn for å kommentere
Du må være et medlem for å kunne skrive en kommentar
Opprett konto
Det er enkelt å melde seg inn for å starte en ny konto!
Start en kontoLogg inn
Har du allerede en konto? Logg inn her.
Logg inn nå