Gå til innhold

Anbefalte innlegg

Skrevet

Hei... 

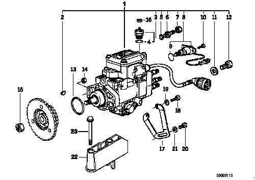
har byttet pakninger i "toppen" på pumpa. under pil merket 1

ImageHandlerashx.jpg

 

det jeg ikke tenkte på var at denne justerer gasspådraget. 

Hvordan kan jeg justere dette igjen? nå får jeg ikke diesel til dysene

 

sånn ser pumpa ut.. og har nr: 0 460 406 994

bild2-edc_thb.jpg

Opprett en konto eller logg inn for å kommentere

Du må være et medlem for å kunne skrive en kommentar

Opprett konto

Det er enkelt å melde seg inn for å starte en ny konto!

Start en konto

Logg inn

Har du allerede en konto? Logg inn her.

Logg inn nå
  • Hvem er aktive   0 medlemmer

    • Ingen innloggede medlemmer aktive
×
×
  • Opprett ny...