Gå til innhold

sh0xx

Medlem
  • Innholdsteller

    411
  • Ble med

  • Besøkte siden sist

Alt skrevet av sh0xx

  1. oi såpass ja! har hatt lyst på avin i evighet nå men kjente det gikk litt vekk nå haha. er så dumt at må ha den stygge ramma hvis man har vanelig spiller å derfor jeg ville ha avin, får håpe de får fikset dette da i fremtiden å at din funker etterhvert ^^ MEN hvis du skal sette inn den gamle spilleren er jeg nok intrissert i å kjøpe avin xD hahaha takker for grundig svar!
  2. Hvorfor var du misfornøyd med avin spilleren? Har tenkt å kjøpe samme til min E39
  3. Denne da
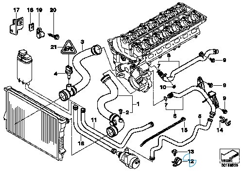
  4. Hei jeg lurte på om noen har noen tips å triks til ombygning til EL vifte på e39? Vurderte ta signal fra vanntemp sensoreren for å få en lav hastighet og enten kjøpe sånn biltema termostat som man setter i kjølelsangen. Det jeg lurer litt på er om noen vet når Vanntemp sensoren "slår seg på" eller sender et signal til AC vifta? http://www.gsbildeler.no/nettbutikk/bmw_5_serie-e39-sedan-530i/motordeler-motor-etk_motor-11_2638 Er NR 4 på det bildet Eller hvis noen vet om en bedre måte for å få signal ifra? har en vifte fra en volvo v70 så er temmelig sikker på at det er 2 speeda!
  5. Kostet 300kr for e sånn sensor på Bavaria , kjøpt just selv da min var dø
  6. Ok
  7. Vet du sånn ca hva det skal stå på live verdier egentlig ? Kan kanskje gå til en kammerat som har autologic på jobben sin å da kan man jo se sånt
  8. Byttet alt til den olje utliftinga i vinter så den skal være grei , men får sjekke alle vacum rør... Men hvor handla du LMM? Er jo svindyre som regel
  9. Hei har noen feilkoder på min bil, å begynner å bli temmelig lei av dette nå, er sånn at plutselig på lang kjøring så kan motor lampa lyse.. Å har Bmw scanner hjemme men skjønner ikke så mye av feilkoden når jeg ser . Så håper noen kan hjelpe meg litt
  10. Døds fet !
  11. veldig fin bil du har ^^ temmelig lik min e39 samme farge å alt xD hehe men hvor kjøpte du kittet til bakstillinga? vurdere å gjøre samme selv
  12. På det kittet er det ikke lettere svinghjul, er bare en del istede for 2 som er dobbelmasse svinghjulet, men har alt orginalt på min nå utenom CDV delete
  13. har lest at de sier det kommer bittegrann med ulyd når den står på tomgang med AC på. men det er bare på utsia, og ikke inni. men skal jo også ha full effektannlegg med tiden så kommer nok ikke til å høre noe ^^ men syns ikke det var så gal pris, 5600 med frakt. bare vanelig clutch kit uten svinghjul koster 4500 på GS så 1000 ekstra for enkelmassesvinghjul å en vanelig clutch uten selvjustering er bare verdt det :DD
  14. så at linken ikke funket, mene er ombygnings kit for både selvjusterings clutchen og fra dobbelmasse til singel masse, ser ganske bra ut. her er link fra en annen side men samme produkt! http://www.ecstuning.com/BMW-E39-530i-M54_3.0L/Drivetrain/Clutch/ES2702807/
  15. Hei må bytte clutch på min E39 530i, å syns clutchen har vært dårlig siden jeg kjøpte bilen, hopper å hakket fra stillestående start å super dårlig feeling hvis man må stå i kø.. Vurderte å prøve dette kittet http://www.bavauto.com/shop.asp Har fjerna CDV fra før å ble bedre men er fremdeles ikke lik som en vanelig clutch på andre type biler
  16. Skamdigg rett å slett!❤️
  17. Ohoi! Lurte på om noen har noe smarte triks! Har for ikke så lenge siden sotte på sommer dekk , gs evo me 19x9,5 på alle fire . Har space ut så felgkanten er rett utforbi skjermkanten . Og kjører nankang ns-20 235/35-19 å syns det er sånn passe dekk strekk til første gang
  18. Personlig syns jeg at luft er hakket over, er jo rå fet å parkere bilen å så legge den flatt på bakken
  19. Ikke negeativt men hvirfor valse når det er såpass mye klaring til dekket ?
  20. Strøken ! Du var ikke sånn typisk i Kristiansand på fredag ?
×
×
  • Opprett ny...