Gå til innhold

Anbefalte innlegg

Skrevet

Jeg sjekket selv bakover, og jeg gikk utfra en M47 E90, og ja, det er en sikring som kan være defekt til gløderelè.

For den deler sikring med ganske mye annet.

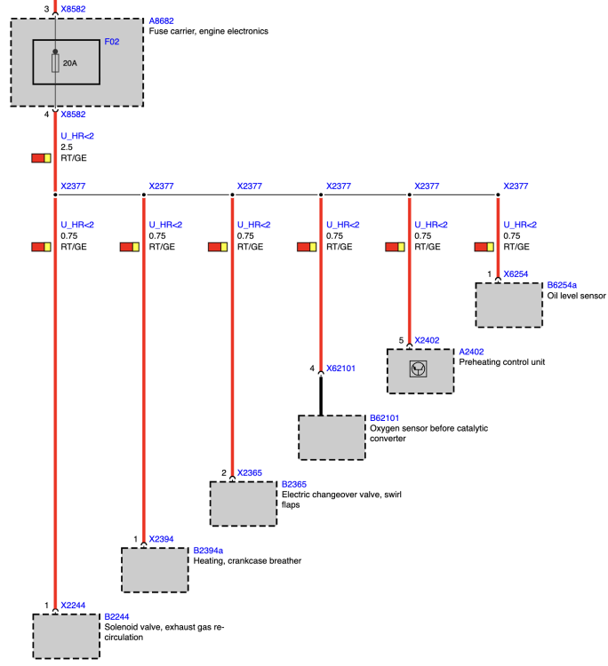
Her er bilde;

image.thumb.png.7e1e2c6e57909e29e77408a680ea1a18.png

Skrevet

Fikk forresten trukket ut den flerpinnede kontakten på glødereleet og prøvd å målt på pin kontaktene i releet å motorjord mens tenning ble skrudd på å fikk ingen volt ut.

Så med mindre releet «skjønner» at det ikke er noen last og derfor ikke sender strøm igjennom, så tenker jeg at det enten er releet eller strømforsyningskabelen til releet som er gåent?

Å da blir bilen hevvet til verksted åsså får dem fikse tenker jeg😅 Møkklei dritproblemer nu. 

Må vell bytte glødeplugger igjen da uansett om de er i orden om jeg skifter releet?

Skrevet

Ja, a8682 gir ting strøm. De gråe firkantene er det som går strøm fra samme plass, slik som gløderelè.

Om sikringen er gåen, så vil alle de gråe firkantene mangle strøm. Så du kan jo enkelt finne ut den sikringen er gåen. Enten måle strøm til en ting på den kursen, eller se om sikringen er gåen.

Om relè er ødelagt, så vil du jo aldri se noen strøm ut på gløderelè. Om du ventet for lenge med å måle, etter opplåsing, så ser du heller ingen strøm ut fra fra gløderelè. Det er jo kun på i 1-3 sekunder, etter opplåsing/rett før start. Og deretter litt etter start.

Du trenger ikke skifte glødeplugger selv om du skifter relè.

Skrevet
40 minutter siden, Otis skrev:

Ja, a8682 gir ting strøm. De gråe firkantene er det som går strøm fra samme plass, slik som gløderelè.

Om sikringen er gåen, så vil alle de gråe firkantene mangle strøm. Så du kan jo enkelt finne ut den sikringen er gåen. Enten måle strøm til en ting på den kursen, eller se om sikringen er gåen.

Om relè er ødelagt, så vil du jo aldri se noen strøm ut på gløderelè. Om du ventet for lenge med å måle, etter opplåsing, så ser du heller ingen strøm ut fra fra gløderelè. Det er jo kun på i 1-3 sekunder, etter opplåsing/rett før start. Og deretter litt etter start.

Du trenger ikke skifte glødeplugger selv om du skifter relè.

hvor er den sikringen? i hanskerommet på passasjer siden?

Skrevet

I sikringen? Om du ikke kan se det, så kan du måle det med voltmeter på ohm innstilling. En målepinne på hver side. Skal være 0 ohm, evt 0,1 ohm. Er det OL er den gått/ødelagt.

Skrevet

Er nok glødereleet som er gåent ja, skal prøve å få jekket opp bilen i morgen og få det ut fra undersiden og måle det. Regner med målingene viser at det er gåent. Vis ikke frykter jeg det er selve kabelen inn til releet haha

Opprett en konto eller logg inn for å kommentere

Du må være et medlem for å kunne skrive en kommentar

Opprett konto

Det er enkelt å melde seg inn for å starte en ny konto!

Start en konto

Logg inn

Har du allerede en konto? Logg inn her.

Logg inn nå
  • Hvem er aktive   0 medlemmer

    • Ingen innloggede medlemmer aktive
×
×
  • Opprett ny...